



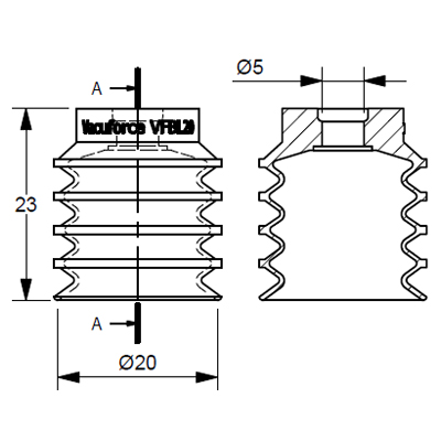
VFBL20-2N
Suction Cup 20mm Diameter Multi Bellows Nitrile Rubber NBR.
Applications
HTS Code - 4016.99.6050
Applications
- Multiple bellows suction cup offering height compensation
- Suitable for plastic film and plastic wrapped paroduct
- Suitable for concave and convex product handling
- Small package pick and place
- Seals against uneven and unflat surfaces
- Temperature Range -40C to 120C / -40F to 248F
- Simple push on and pull off fitting connection
- BL20-2.10 | 0101115 | BL20-2.10 | 0101115 | XP-BL20N | 25.020.025.9 | BL20-NEO | A-3150110 | VCR-BL20P-C | PMB20-NBR | VBL20-N
HTS Code - 4016.99.6050
Ships from Indianapolis, USA
£6.25 each
10 or more £5.63 each
50 or more £5.00 each
100 or more £4.38 each
- Availability: 533